币游·国际(中国游)官方网站

币游·国际(中国游)官方网站
币游·国际(中国游)官方网站

Rotary Joint

Home - Products

big20224151653194627

MXQ3 Rotary Joint (Mono Flow)

Model:MXQ3
Outer pipe: Thread connection or flange connection
Feature:Convex or concave spherical seal; Standard antimony impregnated graphite or carbon graphite sealing technology; Double widely spaced graphite bearing support; Precision cast iron shell; Dual-flow design; Preventive maintenance design wiht sealing abrasion scale line; Surface treatment of the rotating shaft for abrasion resistance and corrosion resistance; Automatic centering.

Technical Parameter:
Media Steam、Hot oil
Max.Temperature ≤350℃ (Hot oil);≤220℃ (Steam)
Max.Pressure ≤1.8MPa
Max.Speed ≤200rpm

Product consultation Back to list

Sales Service Hotline:

0595-8686 1188

币游·国际(中国游)官方网站


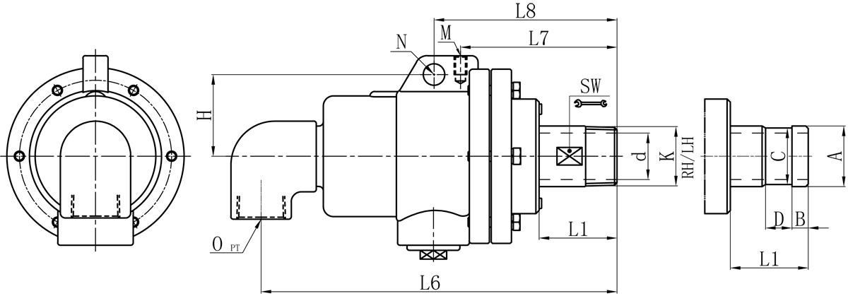
Model K O d L1 L6 L7 L8 M N H SW Flange outer tube size control table
A B C D
32A R1-1/4" Rc1-1/4" 30 55 245 108 124 M10 14 60 41 40 13 38 20
40A R1-1/2" Rc1-1/2" 36 62 280 133 149 M10 16 71 45 47.8 13 45 20

We offer customized products if special sizes.
Specifications are subject to change without notice.

Copyright ?Fujian Minxuan Technology Co., Ltd. all rights reserved 闽ICP备05026600号 中机尺度化钻研院 BY:KEW

【网站地图】