币游·国际(中国游)官方网站

币游·国际(中国游)官方网站
币游·国际(中国游)官方网站

旋转接头

首页 - 产品展示

big202110191751566655

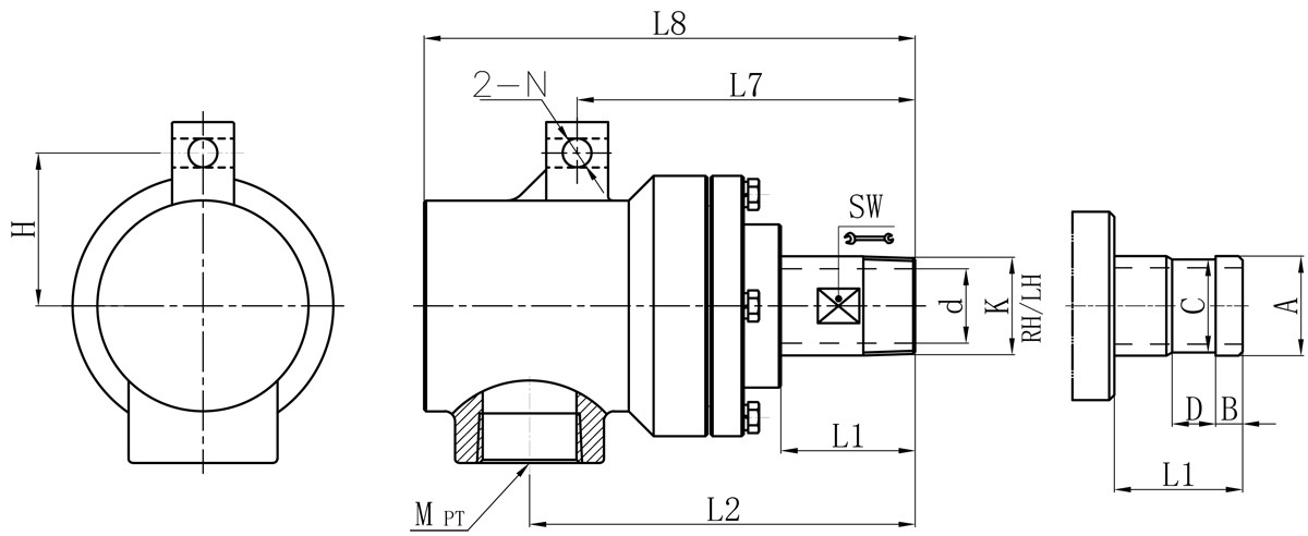
YJ2型 单通路

型号:YJ2D、YJ2DF
表管:螺纹或法兰
特点:球面密封设计; 尺度碳石墨密封技术; 宽间距多路无油轴承支持; 精密铸铁壳体; 单通路和双通路设计; 可自动调心; 旋转轴表表经耐磨损、耐侵蚀处置; 密封磨损刻度线,可预防性守护设计; 偏摆适应性强。

技术参数:
合用介质 导扰淄、蒸汽
最高温度 ≤300℃(扰淄)、≤220℃(蒸汽)
最高压力 ≤1.8MPa
最高转速 ≤200rpm

产品征询 返回列表

销售服务热线:

0595-8686 1188

币游·国际(中国游)官方网站


Model K M d L1 L2 L7 L8 N H SW 法兰式表管尺寸对照表
A B C D
20A R3/4" Rc3/4" 18 49 141 125 170 10 56 24 26 11 24 16
25A R1" Rc1" 23.5 54 147 131 181 12 60 32 34 12 32 18
32A R1-1/4” Rc1-1/4" 30 57 161 140 205 14 68 39 40 13 38 20
40A R1-1/2” Rc1-1/2" 36 67 186 163 260 14 74 45 47.8 13 45 20
50A R2” Rc2" 45 72 212 170 285 14 97 58 60 16 57 24

如属规格品表,本公司可共同要求造作。
规格尺寸如有批改,恕不另行通知。 

Copyright ?币游·国际(中国游)官方网站 版权所有 闽ICP备05026600号 中机尺度化钻研院 网站建设:科伟网络

【网站地图】