币游·国际(中国游)官方网站

币游·国际(中国游)官方网站
币游·国际(中国游)官方网站

Rotary Joint

Home - Products

big202110191653531636

H Rotary Joint

Model:HSX、HSXF
Outer pipe:Thread connection or flange connection
Feature:Plane seal faces; Stainless steel rotor; Complete and uniform design; Maximum carbon fuide separation; Thread connection or flange connection.

Technical Parameter:
Media Water、Air、Oil
Max.Temperature ≤90℃(Water)、≤200℃(Oil)
Max.Pressure ≤1.0MPa
Max.Speed ≤1000rpm

Product consultation Back to list

Sales Service Hotline:

0595-8686 1188

币游·国际(中国游)官方网站


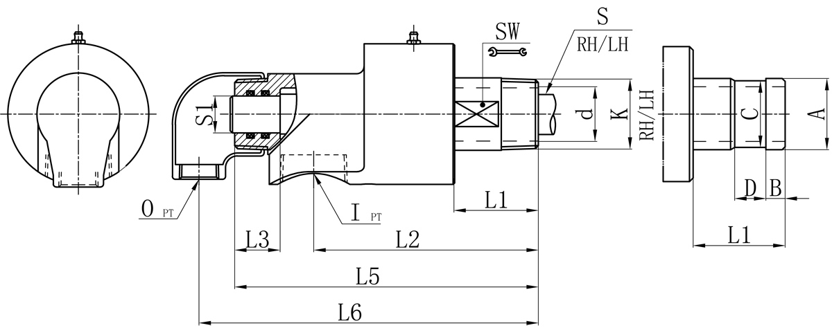
Model K I O S1 d L1 L2 L3 L5 L6 SW Flange outer tube size control table
A B C D
15 R1/2" Rc1/2" Rc1/2" 10 13 29 85 22 119 134 20 / / / /
20A R3/4" Rc3/4" Rc1/2" 12 17 39 103 24 139 155 26 26 11 24 16
25A R1" Rc3/4" Rc1/2" 16 21 49 118 20 155 171 31 34 12 32 18
32A R1-1/4" Rc1-1/4" Rc1/2" 20 30 51 137 29 182 198 41 40 13 38 20
40A R1-1/2" Rc1-1/2" Rc3/4" 25 36 58 145 31 198 220 46 47.8 13 45 20
50A R2" Rc1-1/2" Rc1" 32 46 71 192 33 249 282 57 60 16 57 24
65A R2-1/2" Rc2" Rc1-1/4" 40 60 79 214 45 289 316 80 74 19 70 24
80A R3" Rc2-1/2" Rc2-1/2" 46 72 85 231 49 322 349 87 87 25 84 24
We offer customized products if special sizes.
Specifications are subject to change without notice.

Copyright ?Fujian Minxuan Technology Co., Ltd. all rights reserved 闽ICP备05026600号 中机尺度化钻研院 BY:KEW

【网站地图】