币游·国际(中国游)官方网站

币游·国际(中国游)官方网站
币游·国际(中国游)官方网站

旋转接头

首页 - 产品展示

big2022418922222707

YJTX型 双通路(内管固定式)

型号:YJTXSG、YJTXSGF
表管:螺纹或法兰
特点:平衡式机械密封设计; 自支持式设计; 尺度碳石墨密封设计; 双轴承间距支持; 单通路和双通路设计; 齐全流通设计。

技术参数:
合用介质
最高温度 ≤120℃
最高压力 ≤1.0MPa
最高转速

≤1500rpm


产品征询 返回列表

销售服务热线:

0595-8686 1188

币游·国际(中国游)官方网站


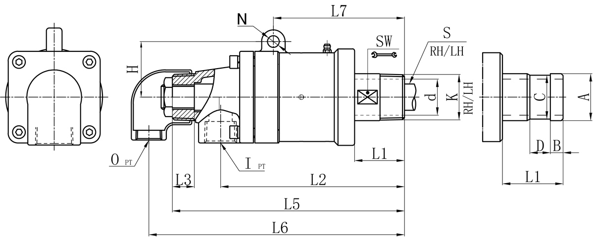
Model K I O S d L1 L2 L3 L5 L6 L7 N H SW 法兰式表管尺寸对照表
A B C D
20A R3/4" Rc3/4" Rc1/2" Rp1/4" 18 48 147 22 180 199 107 8 37 26 26 11 24 16
25A R1" Rc3/4" Rc1/2" Rp3/8" 22 50 153 27 198 213 112 10 44 30 34 12 32 18
32A R1-1/4" Rc1" Rc1/2" Rp1/2" 30 60 176 31 224 236 129 12 55 41 40 13 38 20
40A R1-1/2" Rc1-1/4" Rc3/4" Rp3/4" 36 46 197 33 255 272 148 12 57 45 47.8 13 45 20
50A R2" Rc1-1/2" Rc1" Rp1" 46 77 240 46 313 326 178 12 72 58 60 16 57 24
65A R2-1/2" Rc2" Rc1-1/4" Rp1-1/4" 60 88 273 52 358 386 207 14 92 70 74 19 70 24

如属规格品表,本公司可共同要求造作。
规格尺寸如有批改,恕不另行通知。

Copyright ?币游·国际(中国游)官方网站 版权所有 闽ICP备05026600号 中机尺度化钻研院 网站建设:科伟网络

【网站地图】